Electro Brain

Quiz elektrotechnicus

content divider
Ben jij een echte expert of valt er nog wat te leren? Doe de quiz en ontdek hoe goed jij het echt weet! Kies een categorie, beantwoord de vragen en daag jezelf uit. Klaar om te starten? 👇

Quiz elektrotechnicus

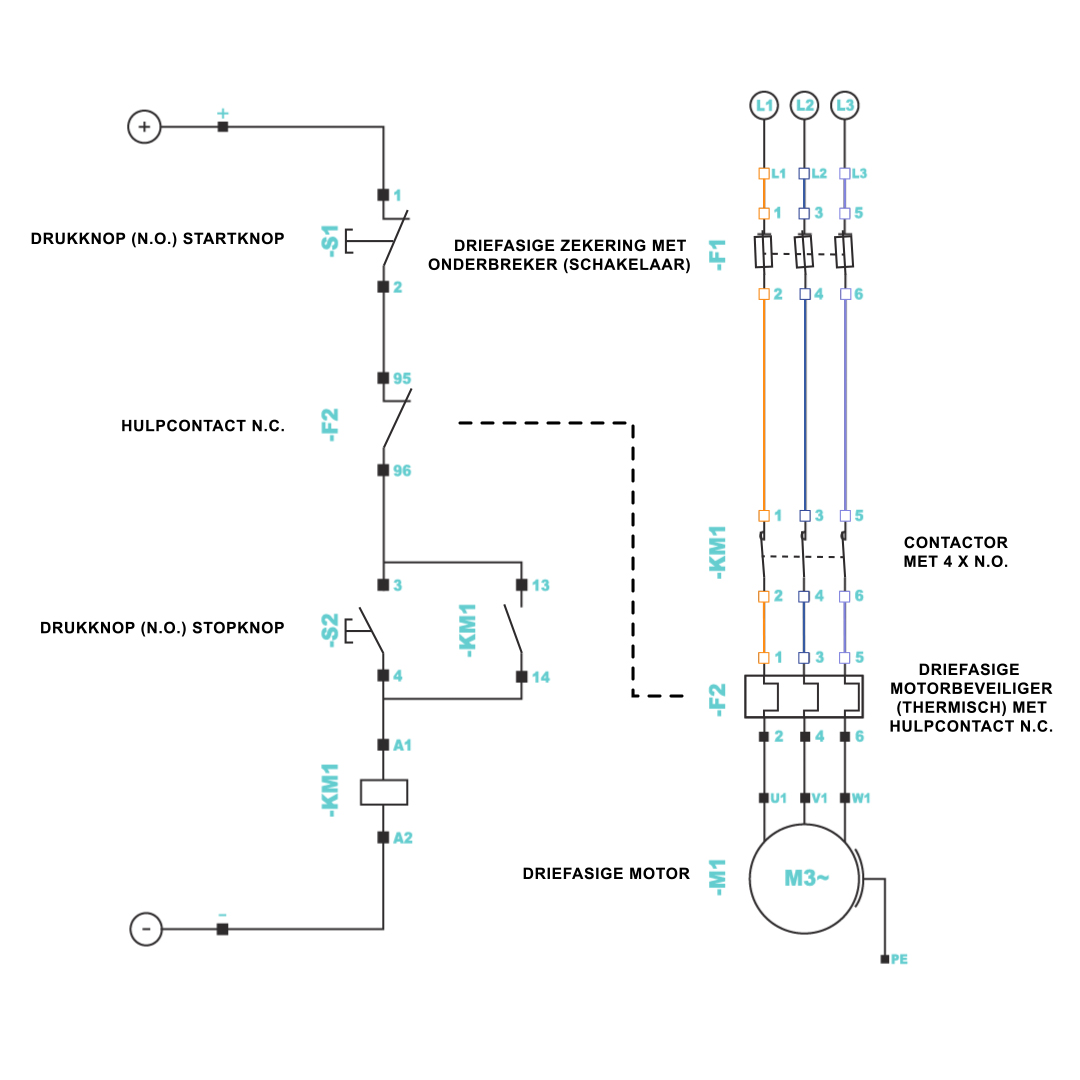
Start stop met motor

Legende bij de tekening
Schema5 S1

S1 Drukknop (N.C.) stopknop

Schema5 S2

S2 Drukknop (N.O.) startknop

Schema5 F1 Rechts

F1 Driefasige zekering met onderbreker (schakelaar)

Schema5 F2 Rechts

F2 Driefasige motorbeveiliger (thermisch) met hulpcontact N.C.

Schema5 Relaiskm1

KM1 Contactor met 4x N.O.

Schema5 M1

M1 Driefasige motor

Vraag 5.1
Schema 3
Vraag 8/19

Wat is de functie van F2?